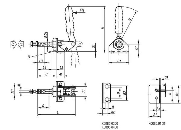
Napinacze suwakowe z podstawą
Opis produktu
Materiał: Stal lub stal nierdzewna.
Wersja: cynkowane i pasywowane.
Suwak i śruba dociskowa fosforanowane.
Stal nierdzewna niepowlekana.
Rękojeść z tworzywa sztucznego olejoodporna.
Wskazówka: Napinacze pozostają stabilne w obu pozycjach rękojeści
– zamkniętej i otwartej. Dlatego też mogą one zarówno wywierać nacisk jak i naciągać. Ponadto przy pomocy dostarczonej nakrętki można montować napinacze w każdej żądanej pozycji.



